OMS 2K BM5 Seri disk valv motè idwolik
OMS 2K BM5 seri entwodiksyon
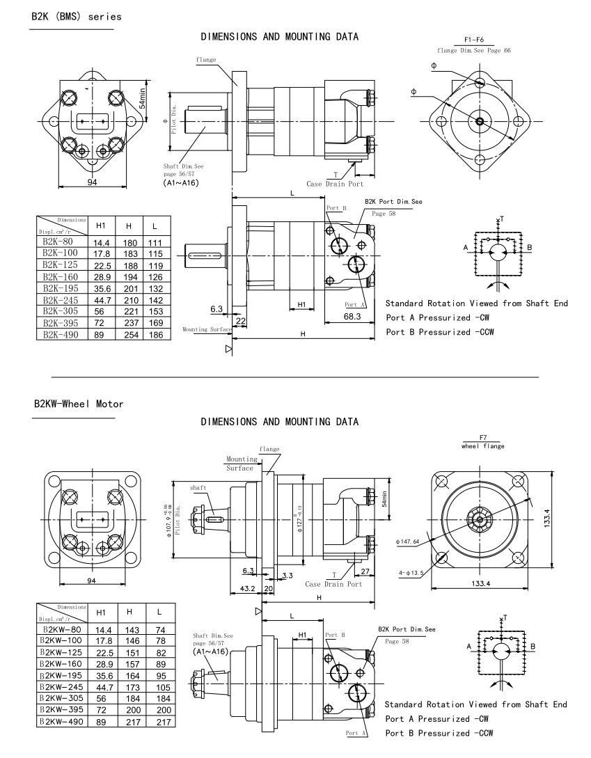
2K (0MS BM5) seri motè adapte konsepsyon avanse Geroler seri ak koule distribisyon disk ak presyon ki wo. Ka inite a dwe apwovizyone varyant endividyèl la nan opere multifonksyon an akò ak egzijans aplikasyon yo.
Karakteristik karakteristik:
1. Aparèy manifakti avanse pou seri Geroler ki sèvi ak presyon ki ba nan kòmanse, bay operasyon lis ak serye ak efikasite segondè.
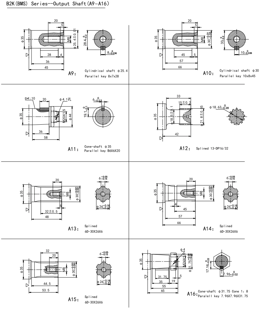
2. Arbr pwodiksyon an adapte nan BEARINGS a woulo konik ki pèmèt gwo fòs axial ak radial. Ka ofri kapasite nan presyon ki wo ak koupl segondè nan lajè aplikasyon yo.
3. Avanse konsepsyon nan koule distribisyon disk, ki ka otomatikman konpanse nan opere ak efikasite volim segondè ak lavi ki long .provide operasyon lis ak serye.
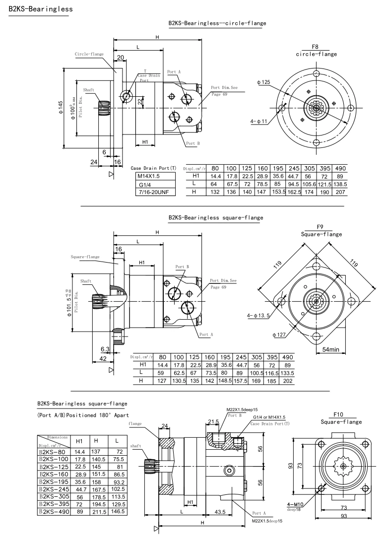
2KW (wou motè)/2KS (Bearlessless) 2K seri enkli: (2K Creole)









Baj popilè: 2k b2k bm5 oms seri estanda motè idwolik motè orbital, Lachin 2k b2k bm5 oms seri estanda motè idwolik motè òbital manifaktirè, founisè, faktori


